• 疊加式溢流閥 ZDB/Z2DB6

疊加式溢流閥 ZDB/Z2DB6



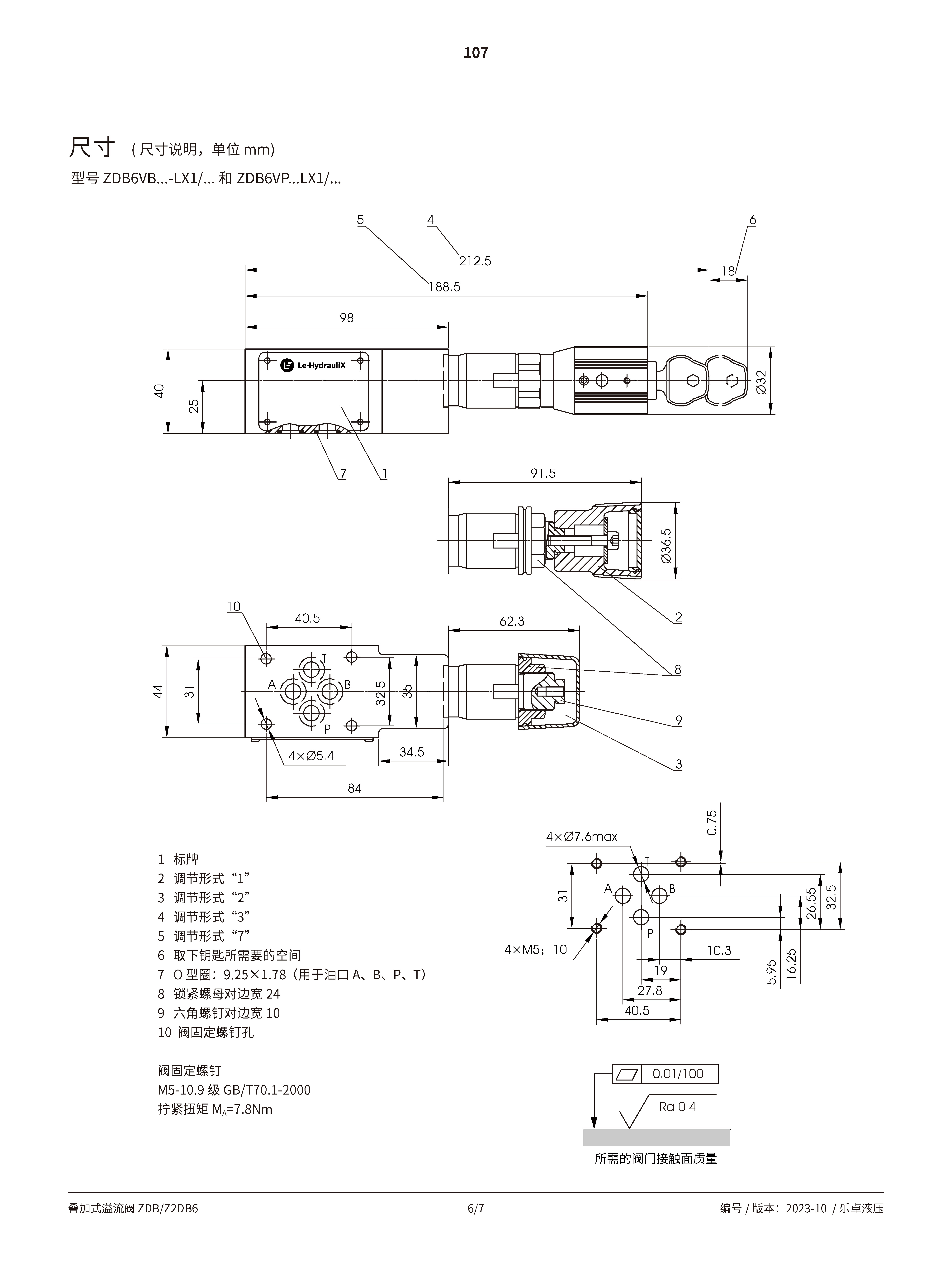
. 標稱尺寸 6

. 最大工作壓力 315 bar

. 最大流量(建議) 60 l/min


2.jpg3.jpg4.jpg5.jpg6.jpg7.jpg


. 油口位置依 DIN 24340 A型,不含定位孔(標準型)

. 油口位置依 ISO 4401-03-02-0-05,附定位孔

. 4 種壓力範圍

. 5 種可選的有效流向

. 附 1 或 2 個插裝溢流閥

. 用於壓力調節的 4 種調整元件,可選:手把、帶護罩的六角套筒螺絲、帶鎖有刻度旋鈕、不含鎖有刻度旋鈕