吾福精密科技有限公司
  • 詢價車 ()
繁體中文 | 简体中文
吾福精密科技有限公司

詢價車

  • 最新消息
    • 最新消息
    • 展覽消息
    • Rexroth Blog
  • 公司簡介
    • 關於吾福
    • Q & A
  • 產品介紹
    • Bosch Rexroth 博世力士樂
      • 組裝技術 Assembly Technology
        • TS1
        • TS2
        • TS2 Booster
        • TS5
        • ActiveMover
        • VarioFlow
        • MTpro工程軟體
      • 電子驅動與控制系統 Electric Drives and Controls
        • 工業4.0應用實作系統 Training System
        • IoT Gateway
        • FTS靈活輸送系統 Flexible Transport System
      • 齒輪技術 Gear Technology
      • 工業液壓系統 Industrial Hydraulics
        • 液壓閥 Hydraulic Valves
        • 液壓馬達 Hydraulic Motors
        • 液壓泵浦 Hydraulic Pumps
        • CytroPac 液壓動力單元
        • CytroBox 液壓動力站
        • CytroForce 伺服液壓執行器
      • 線性傳動技術 Linear Motion Technology
        • 整合式測量系統 IMS-A/I
          • 滾柱滑軌&滑塊
          • 滾珠滑軌&滑塊
        • 滾珠導軌 BSHP
        • 滾珠導軌 BSCL
        • 滾柱導軌 RSHP
        • 微型滾珠導軌 MBRS
        • 滾珠螺桿 BASA
        • 行星式螺桿 PLSA
      • 鎖緊技術 Tightening
        • 手持鎖緊槍 ErgoSpin
        • 固定式 Spindle 鎖緊系統
        • 智能無線 NEXO
      • 產業 Industries
        • 行走機械應用 Mobile Applications
          • 公路與商用車輛
          • 農林業機械
          • 建築機械
          • 物料搬運技術
        • 機械應用與工程 Machinery Applications and Engineering
          • 移動式建築結構
          • 水泥業
          • 化工業
          • 土木工程
          • 挖泥機
          • 能源技術
          • 發動機
          • 玻璃製造機械
          • 水平導向鑽孔
          • 流體動力研究
          • 工具機(成形)與壓機
          • 船舶
          • 材料搬運技術
          • 冶金
          • 礦物加工
          • 採礦
          • 動態模擬技術
          • 離岸產業
          • 石油與天然氣開採(陸上)
          • 塑膠機械與壓鑄
          • 紙漿與造紙機械
          • 回收利用與廢物處理
          • 可再生能源
            • 海洋能源系統
            • 風能
          • 橡膠加工
          • 造船廠設備
          • 舞台技術
          • 製糖工業
          • 測試技術
          • 運輸技術
          • 隧道鑽鑿機
          • 木工
        • 工廠自動化 Factory Automation
          • 組裝和搬運
          • 車輛
          • 切削工具機
          • 包裝與加工
          • 印刷與印染加工
          • 半導體與電子設備
          • 太陽能
    • Kassow Robots
    • Le-Hydraulix 樂卓液壓
      • 高壓內嚙合齒輪泵
      • 方向控制閥
      • 疊加閥
        • Z系列疊加閥
        • M系列疊加閥
      • 壓力控制閥
  • 電子型錄
  • 活動紀錄
  • 聯絡我們
Bosch Rexroth 博世力士樂
Bosch Rexroth 博世力士樂
Kassow Robots
Kassow Robots
Le-Hydraulix 樂卓液壓
Le-Hydraulix 樂卓液壓
  • 產品介紹
  • 首頁
  • 產品介紹
  • Le-Hydraulix 樂卓液壓
  • 方向控制閥
  • 液控單向閥 SV/SL

產品介紹

  • Bosch Rexroth 博世力士樂
    • 組裝技術 Assembly Technology
    • 電子驅動與控制系統 Electric Drives and Controls
    • 齒輪技術 Gear Technology
    • 工業液壓系統 Industrial Hydraulics
    • 線性傳動技術 Linear Motion Technology
    • 鎖緊技術 Tightening
    • 產業 Industries
  • Kassow Robots
  • Le-Hydraulix 樂卓液壓
    • 高壓內嚙合齒輪泵
    • 方向控制閥
      • 方向滑閥(直接控制式、配有磁吸操作裝置)WE6
      • 方向滑閥(直接控制式、配有磁吸操作裝置)WE10
      • 電液換向閥 WEH/WH
      • 單向閥 S
      • 液控單向閥 SV/SL
      • 液控單向閥 CPDG
    • 疊加閥
    • 壓力控制閥
  • 液控單向閥 SV/SL

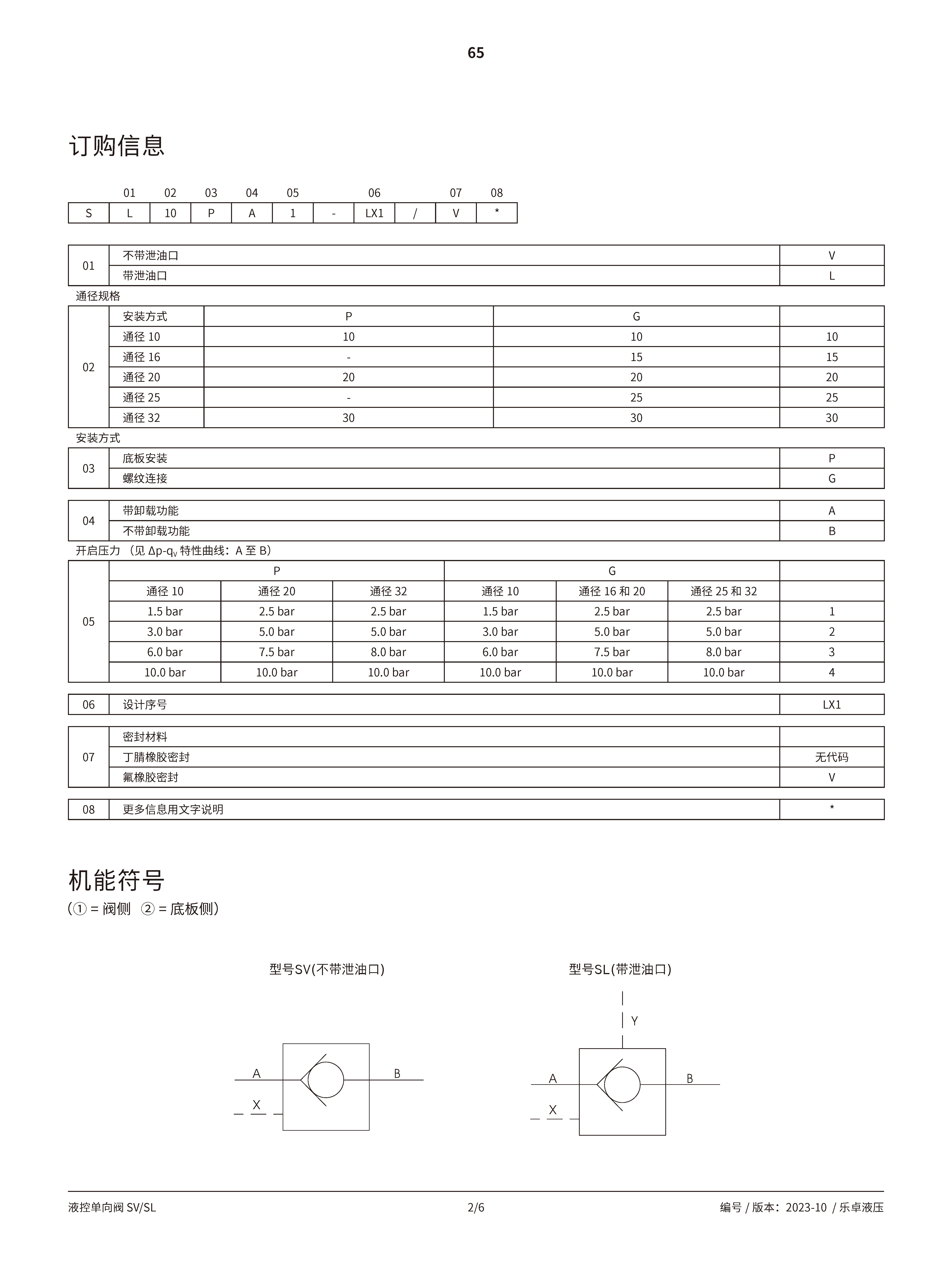
液控單向閥 SV/SL


  • 產品敘述
  • 特點

. 通徑 10 - 32

. 最高工作壓力 315 bar

. 最大工作流量 550 l/min


45.jpg46.jpg47.jpg48.jpg49.jpg


. 安裝面按 DIN 24340 D型

. 底板安裝或螺紋連接

. 帶或不帶洩油口

. 帶或不帶卸載功能

. 帶卸載功能的結構用於平穩操作(減少可能的壓力衝擊)

. 4 種開啟壓力

營業部
電話:
+886-7-7833668
傳真:
+886-7-7831368
信箱:
sales@woofwu.com.tw
地址:
831123高雄市大寮區翁園路131-62號
財務部
電話:
+886-7-2234368
傳真:
+886-7-2243917
信箱:
woofwu@mail2000.com.tw
地址:
807027高雄市三民區凱旋一路141號
新竹據點
電話:
+886-3-5600169
傳真:
+886-3-5600139
地址:
302009新竹縣竹北市環北路5段298-3號(BOSCH電動工具專賣店&體驗中心)
台南據點
電話:
+886-6-2701878
傳真:
+886-6-2701876
地址:
717021台南市仁德區文華路3段428巷152弄29號
© 2026 吾福精密科技有限公司 All rights reserved.
此網站使用cookies蒐集必要的使用者瀏覽行為,以讓我們能為您提供更好的瀏覽體驗。 瀏覽本網站,即表示您同意 線上隱私權聲明
× 關閉