• 疊加式液控單向閥 Z2S10

疊加式液控單向閥 Z2S10



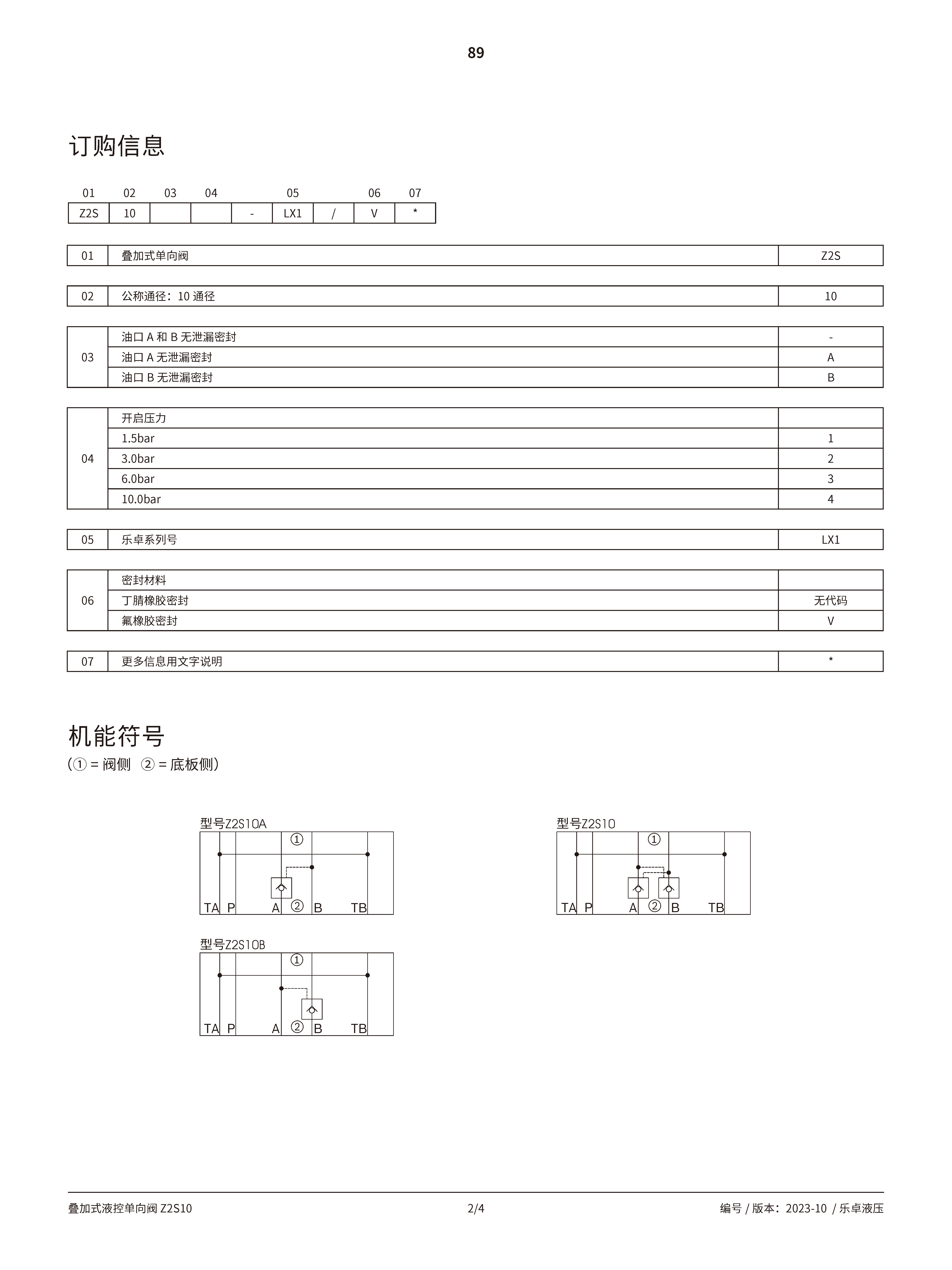
.  標稱尺寸 10

.  最大工作壓力 315 bar

.  最大流量(建議) 120 l/min


6.jpg8.jpg9.jpg


. 疊加式結構

. 垂直疊加安裝

. 油口位置依 ISO 4401-05-04-0-94

. 一個或兩個工作油口可無洩漏密封,可選

. 用於多層疊加系統

. 4 種不同的開啟壓力,可選