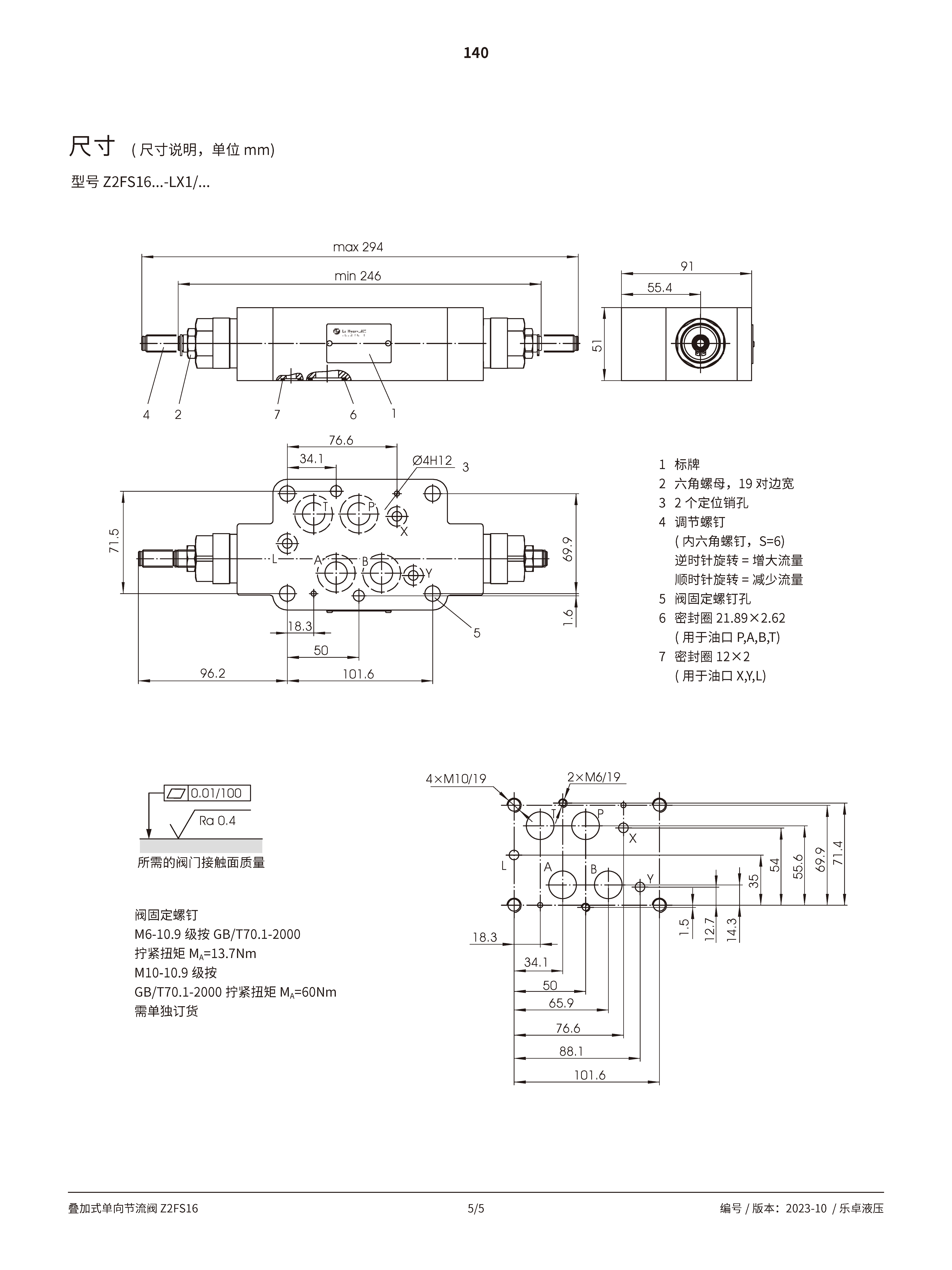
• 疊加式單向節流閥 Z2FS16

疊加式單向節流閥 Z2FS16



. 通徑 16

. 最高工作壓力 315 bar

. 最大工作流量 250 l/min

2.jpg3.jpg4.jpg5.jpg



. 疊加閥

. 符合 ISO 4401-07-07-0-05 和 NFPA T3.5.1 R2-D07 的油口安裝面

. 用來限制兩個工作油口的流量

. 調節元件:內六角主軸

. 用於進口節流或出口節流控制