• 疊加式雙單向節流閥 Z2FS10

疊加式雙單向節流閥 Z2FS10



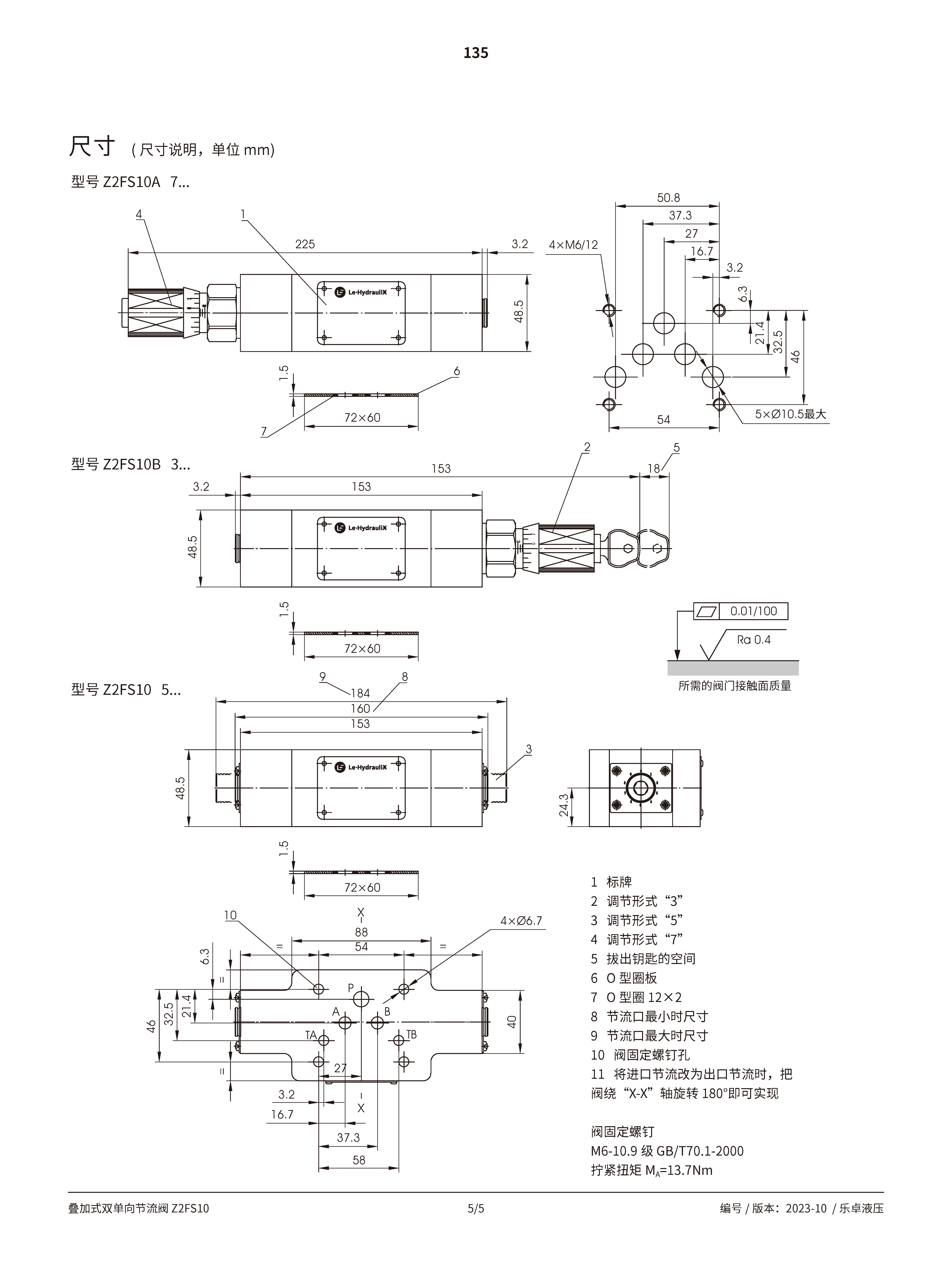
. 標稱尺寸 10

. 最大工作壓力 315 bar

. 最大流量(建議) 160 l/min

7.jpg8.jpg9.jpg10.jpg



. 油口位置依 DIN 24340 A型,不含定位孔(標準型)

. 油口位置依 ISO 4401,附定位孔

. 疊加式結構

. 3 種調控元件:附鎖緊螺帽和防護帽的內六角心軸、帶鎖有刻度旋鈕、不含鎖有刻度旋鈕

. 用於限制 2 個工作油口的主流量或控制流量

. 用於進口節流或出口節流控制