• 疊加式單向閥 Z1S6

疊加式單向閥 Z1S6



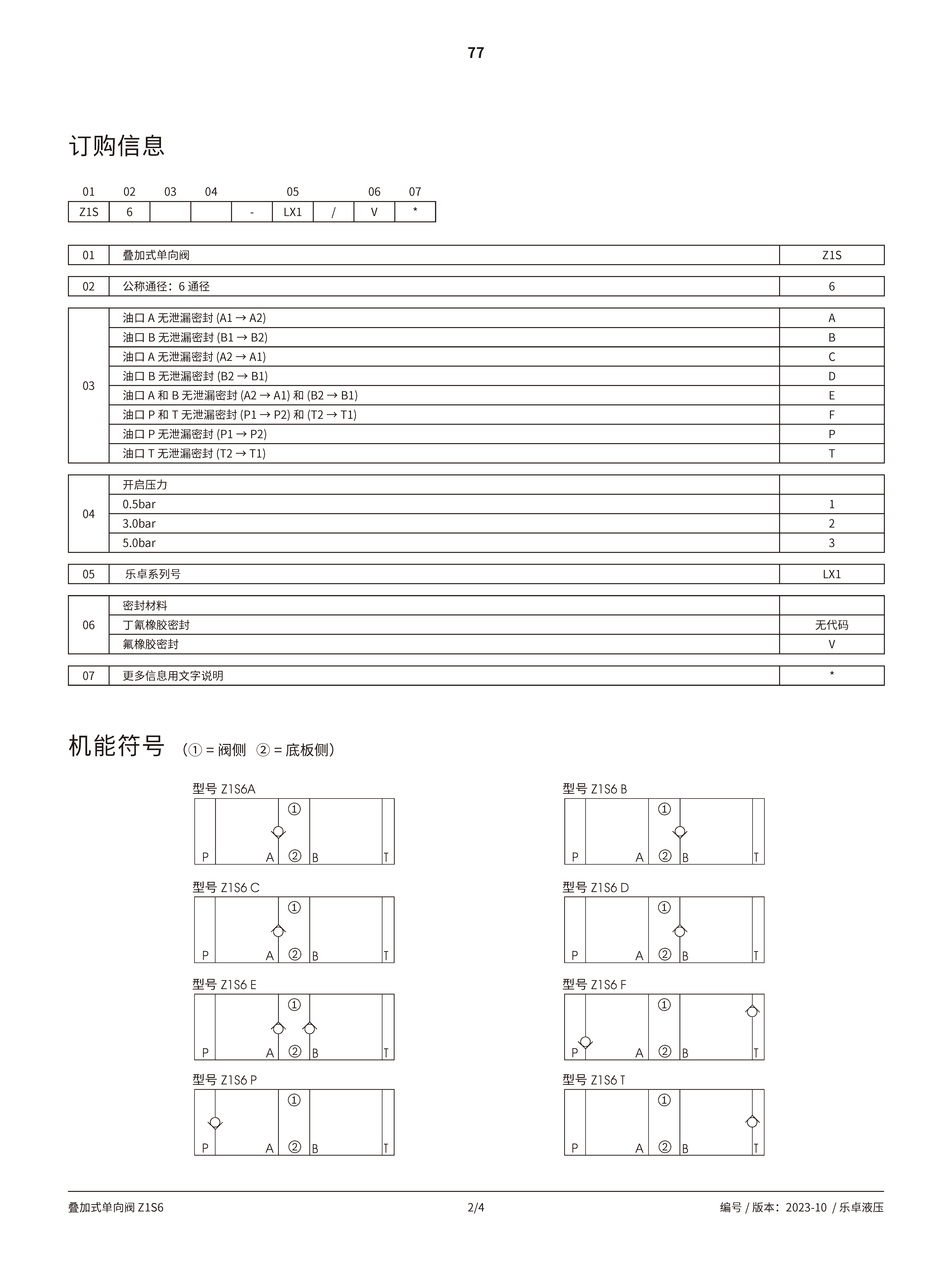
. 標稱尺寸 6

. 最大工作壓力 350 bar

. 最大流量(建議) 40 l/min


4.jpg5.jpg6.jpg


. 疊加式結構

. 垂直疊裝安裝

. 油口位置依 DIN 24340 A型,不含定位孔(標準型)

. 油口位置依 ISO 4401-03-02-0-5,帶定位孔