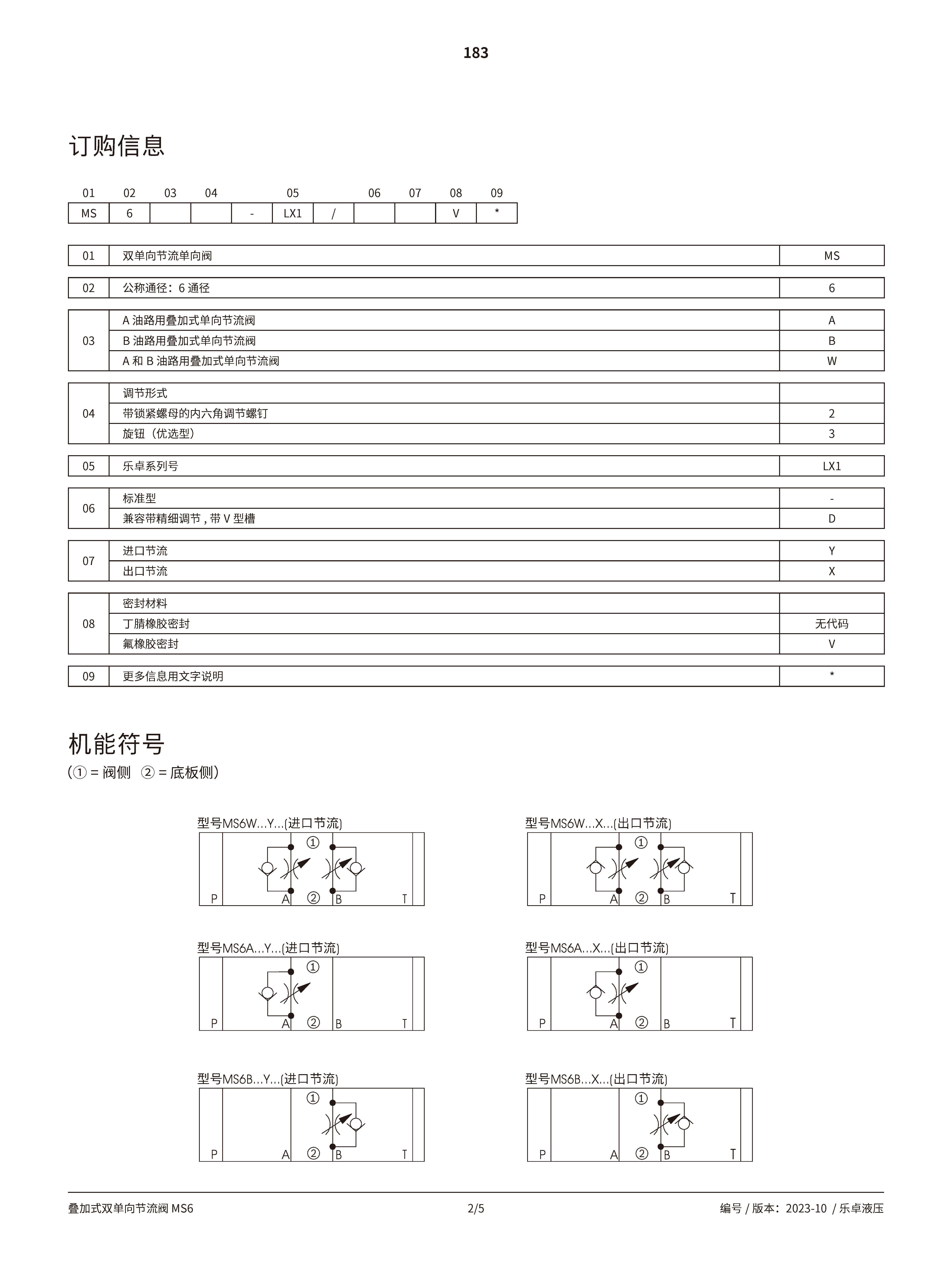
• 疊加式雙單向節流閥 MS6

疊加式雙單向節流閥 MS6



. 標稱尺寸 6

. 最大工作壓力 350 bar

. 最大流量(建議) 53 l/min


2.jpg3.jpg4.jpg5.jpg



. 油口位置依 DIN 24340 A型,不含定位孔(標準型)

. 油口位置依 ISO 4401,附定位孔

. 疊加式結構

. 用於壓力調節的2 種調整元件,可選:帶鎖緊螺帽的內六角調整螺絲、旋鈕

. 用於限制 2 個工作油口的主流量或控制流量

. 用於進口節流或出口節流控制