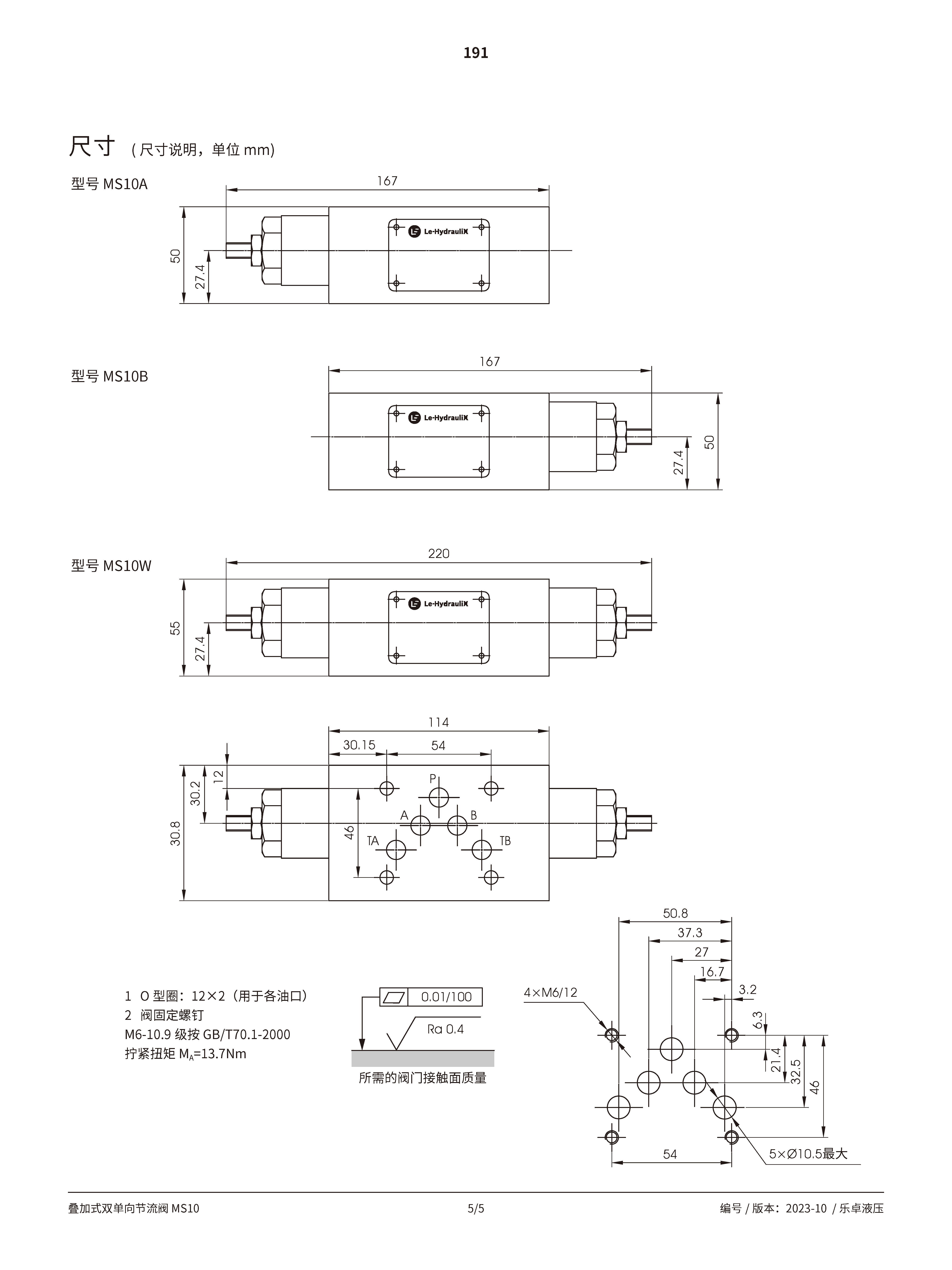
• 疊加式雙單向節流閥 MS10

疊加式雙單向節流閥 MS10



. 標稱尺寸 10

. 最大工作壓力 350 bar

. 最大流量(建議) 76 l/min


7.jpg8.jpg9.jpg10.jpg



. 疊加式結構

. 垂直疊加安裝

. 油口位置依 ISO 4401-05-04-0-94

. 用於壓力調節的 2 種調整元件,可選:帶鎖緊螺帽的內六角調整螺絲、旋鈕

. 用於限制 2 個工作油口的主流量或控制流量

. 用於進口節流或出口節流控制