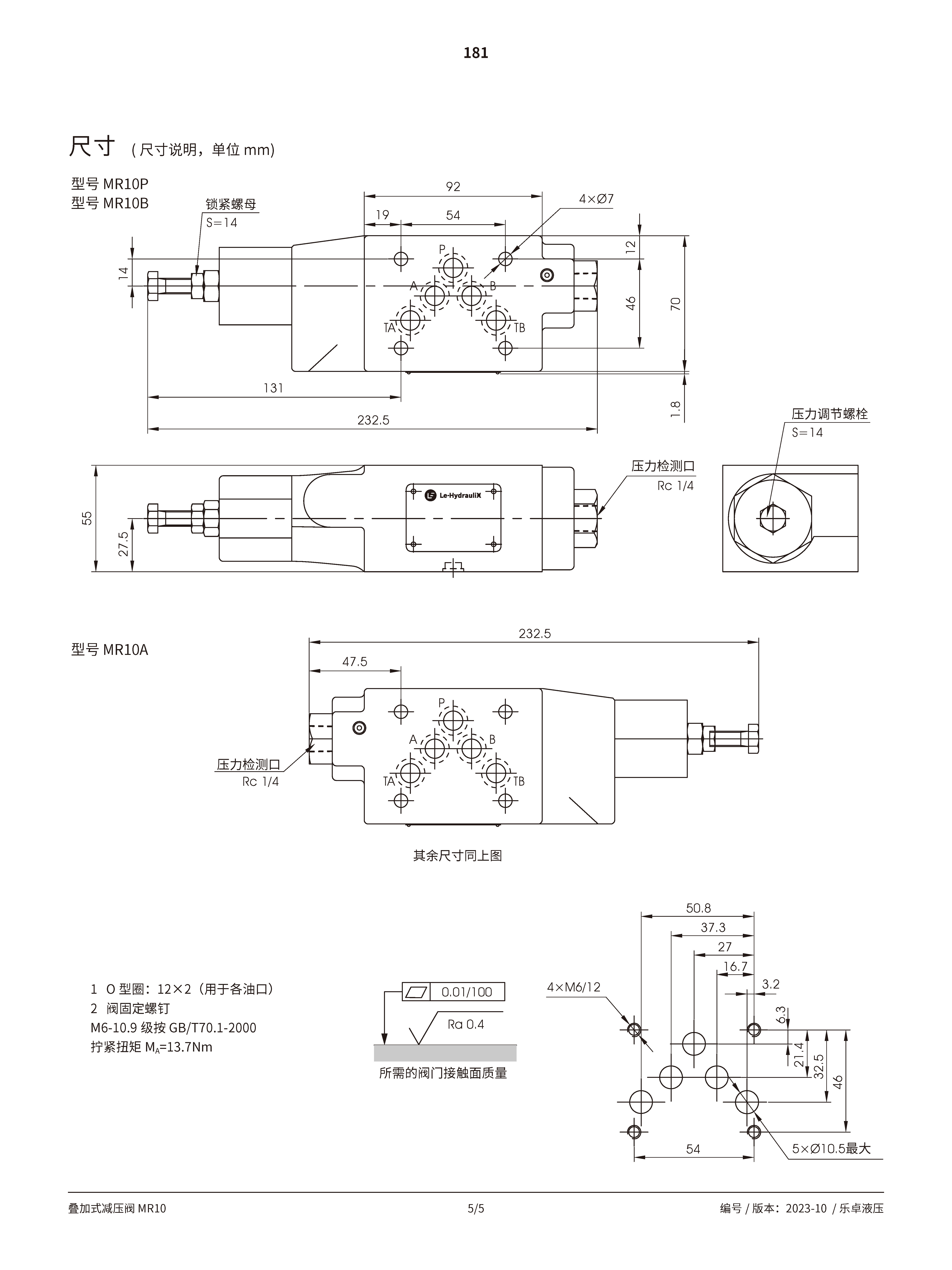
• 疊加式減壓閥 MR10

疊加式減壓閥 MR10



. 標稱尺寸 10

. 最大工作壓力 350 bar

. 最大流量(建議) 70 l/min


7.jpg8.jpg9.jpg10.jpg


. 疊加式結構

. 垂直疊加安裝

. 油口位置依 ISO 4401-05-04-0-94

. 2 種壓力範圍

. 油口 A、B 或 P 減壓