• 螺帽座 MGS

螺帽座 MGS



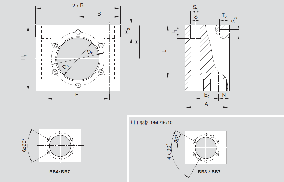
德國博世力士樂螺帽座MGS

適用的滾珠螺母→FEM-E-SFDM-E-SFEP-E-S SEM-E-S

法蘭式單螺母 FEM-E-S
法蘭式雙螺母 FDM-E-S
帶轉向蓋的法蘭式單螺母 FEP-E-S
可調式無間隙單螺母 SEM-E-S


德國博世力士樂螺帽(母)座除了用固定外,還需要採用附加的固定方式(例如採用兩個定位銷,其直徑與螺栓直徑S.相同)。

建議使用強度等級為8.8級的螺栓


如果使用帶前置潤滑單元的滾珠螺桿,前置潤滑單元有可能從螺帽座中凸出來。因此計算行程時,需加以考慮。

1螺母座MGS規格.png

2螺母座MGS規格.png

3螺母座MGS規格.png