• 螺帽座 MGD

螺帽座 MGD



德國博世力士樂螺帽座MGD

適用的滾珠螺母→FEM-E-CFDM-E-CSEM-E-C


法蘭式單螺母 FEM-E-C
法蘭式雙螺母 FDM-E-C
可調式無間隙單螺母 SEM-E-C


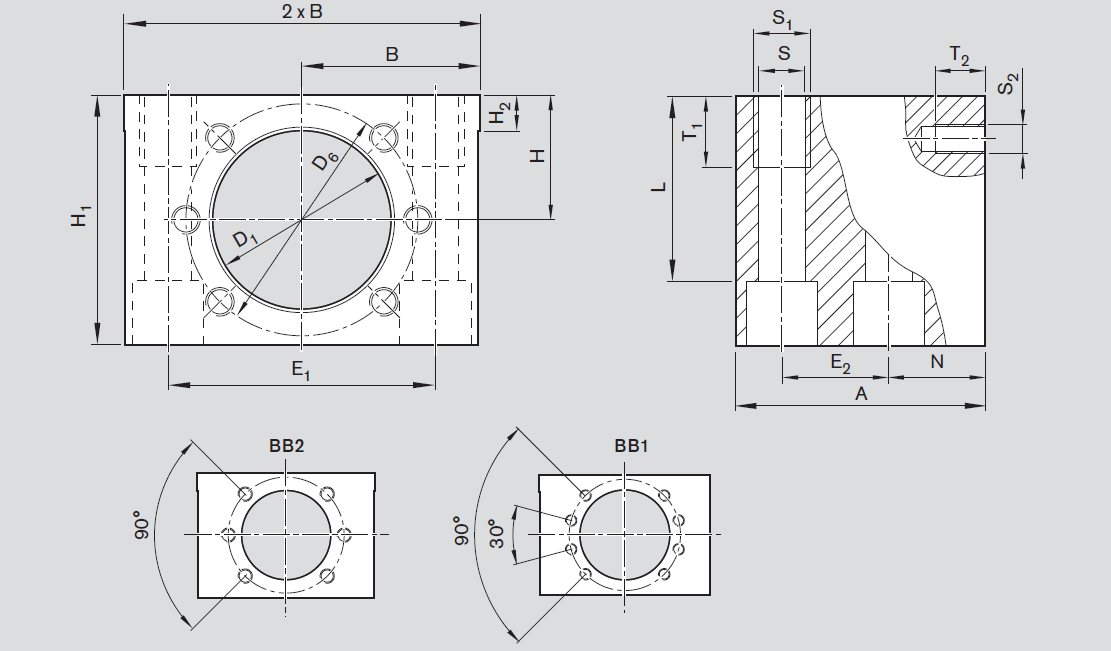
德國博世力士樂螺帽(母)座除了用固定外,還需要採用附加的固定方式(例如採用兩個定位銷,其直徑與螺栓直徑S.相同)。

建議使用強度等級為8.8級的螺栓


如果使用帶前置潤滑單元的滾珠螺桿,前置潤滑單元有可能從螺帽座中凸出來。因此,計算行程時,需加以考慮。

3滾珠螺桿-螺母座MGD規格.png


1滾珠螺桿-螺母座MGD規格.png


2滾珠螺桿-螺母座MGD規格.png